AUTOMOTIVE ELECTRICIANS

Электросхемы Стеклоочистители и Стеклоомыватели Дворники Isuzu Amigo XS 1992

Стеклоочистители и Стеклоомыватели Дворники

Электросхема стеклоочистителя, дворников и омывателя С 2 скоростями для Isuzu Amigo XS 1992

Электросхема стеклоочистителя, дворников и омывателя С 2 скоростями для Isuzu Amigo XS 1992

Электросхема стеклоочистителя, дворников и омывателя С 2 скоростями для Isuzu Amigo XS 1992 - Список элементов:

  • (not used)
  • 15a
  • Fuse 6
  • G101 (right front fender)
  • G104 (rear of left fender)
  • Hot in on or start
  • Interior lights system
  • Mist
  • Off
  • Park
  • Run
  • Wash
  • Washer button illumi- nation
  • Wind- shield wiper/ washer switch
  • Windshield washer motor (in washer fluid reservoir)
  • Windshield wiper motor
  • Wiper switch illumi- nation

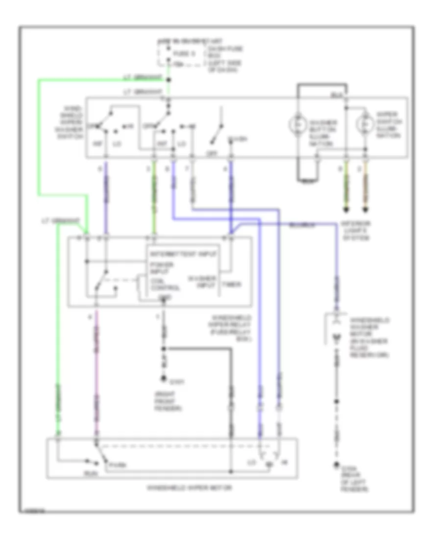
Неустойчивая Электросхема стеклоочистителя, дворников и омывателя для Isuzu Amigo XS 1992

Неустойчивая Электросхема стеклоочистителя, дворников и омывателя для Isuzu Amigo XS 1992 - Список элементов:

  • (right front fender)
  • 15a
  • Coil control
  • Dash fuse box (left side of dash)
  • Fuse 6
  • G101
  • G104 (rear of left fender)
  • Gnd
  • Hot in on or start
  • Int
  • Interior lights system
  • Intermittent input
  • Off
  • Park
  • Power input
  • Run
  • Timer
  • Wash
  • Washer button illumi- nation
  • Washer input
  • Wind- shield wiper/ washer switch
  • Windshield washer motor (in washer fluid reservoir)
  • Windshield wiper motor
  • Windshield wiper relay (fuse/relay box)
  • Wiper switch illumi- nation

Не нашел свой автомобиль? смотри здесь -> DiagnostData.com!