AUTOMOTIVE ELECTRICIANS

Электросхемы Стеклоочистители и Стеклоомыватели Дворники Isuzu Pickup S 1993

Стеклоочистители и Стеклоомыватели Дворники

2.3L

2.3L, Электросхема стеклоочистителя, дворников и омывателя С 2 скоростями для Isuzu Pickup S 1993

2.3L, Электросхема стеклоочистителя, дворников и омывателя С 2 скоростями для Isuzu Pickup S 1993

2.3L, Электросхема стеклоочистителя, дворников и омывателя С 2 скоростями для Isuzu Pickup S 1993 - Список элементов:

  • (not used)
  • 15a
  • Fuse 6
  • G101 (right front fender)
  • G104 (rear of left fender)
  • Hot in on or start
  • Interior lights system
  • Mist
  • Off
  • Park
  • Run
  • Wash
  • Washer button illumi- nation
  • Wind- shield wiper/ washer switch
  • Windshield washer motor (in washer fluid reservoir)
  • Windshield wiper motor
  • Wiper switch illumi- nation

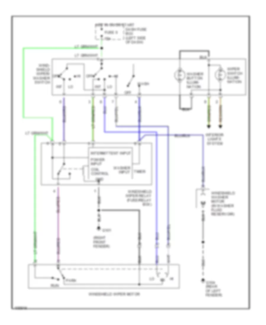
2.3L, Неустойчивая Электросхема стеклоочистителя, дворников и омывателя для Isuzu Pickup S 1993

2.3L, Неустойчивая Электросхема стеклоочистителя, дворников и омывателя для Isuzu Pickup S 1993 - Список элементов:

  • (right front fender)
  • 15a
  • Coil control
  • Dash fuse box (left side of dash)
  • Fuse 6
  • G101
  • G104 (rear of left fender)
  • Gnd
  • Hot in on or start
  • Int
  • Interior lights system
  • Intermittent input
  • Off
  • Park
  • Power input
  • Run
  • Timer
  • Wash
  • Washer button illumi- nation
  • Washer input
  • Wind- shield wiper/ washer switch
  • Windshield washer motor (in washer fluid reservoir)
  • Windshield wiper motor
  • Windshield wiper relay (fuse/relay box)
  • Wiper switch illumi- nation

2.6L

2.6L, Электросхема стеклоочистителя, дворников и омывателя С 2 скоростями для Isuzu Pickup S 1993

2.6L, Электросхема стеклоочистителя, дворников и омывателя С 2 скоростями для Isuzu Pickup S 1993 - Список элементов:

  • (not used)
  • (rear of left fender)
  • (right front fender)
  • 15a
  • Fuse 6
  • G101
  • G104
  • Hot in on or start
  • Interior lights system
  • Mist
  • Off
  • Park
  • Run
  • Wash
  • Washer button illumi- nation
  • Wind- shield wiper/ washer switch
  • Windshield washer motor (in washer fluid reservoir)
  • Windshield wiper motor
  • Windshield wiper relay connector plug (fuse/relay box)
  • Wiper switch illumi- nation

3.1L

3.1L, Электросхема стеклоочистителя, дворников и омывателя С 2 скоростями для Isuzu Pickup S 1993

3.1L, Электросхема стеклоочистителя, дворников и омывателя С 2 скоростями для Isuzu Pickup S 1993 - Список элементов:

  • (not used)
  • (rear of left fender)
  • (right front fender)
  • 15a
  • Fuse 6
  • G101
  • G104
  • Hot in on or start
  • Interior lights system
  • Mist
  • Off
  • Park
  • Run
  • Wash
  • Washer button illumi- nation
  • Wind- shield wiper/ washer switch
  • Windshield washer motor (in washer fluid reservoir)
  • Windshield wiper motor
  • Windshield wiper relay connector plug (fuse/relay box)
  • Wiper switch illumi- nation

Не нашел свой автомобиль? смотри здесь -> DiagnostData.com!