AUTOMOTIVE ELECTRICIANS

Электросхемы Стеклоочистители и Стеклоомыватели Дворники Mazda MX-5 Miata Sport 2007

Стеклоочистители и Стеклоомыватели Дворники

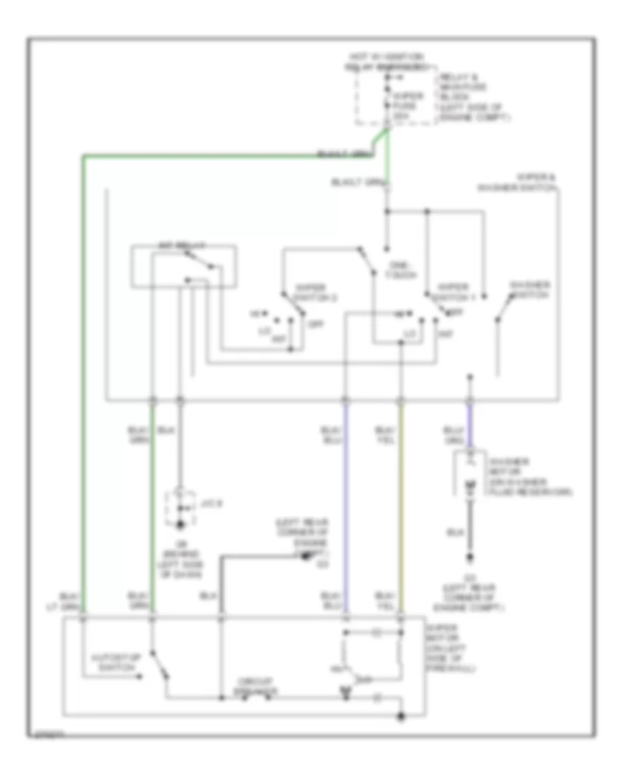
Электросхема стеклоочистителя, дворников и омывателя для Mazda MX-5 Miata Sport 2007

Электросхема стеклоочистителя, дворников и омывателя для Mazda MX-5 Miata Sport 2007 - Список элементов:

  • (left rear corner of engine compt) g3
  • Autostop switch
  • Circuit breaker
  • G3 (left rear corner of engine compt)
  • G9 (behind left side of dash)
  • Hot w/ ignition relay energized
  • Int
  • Int relay
  • J/c 9
  • Off
  • One- touch
  • Relay & main fuse block (left side of engine compt)
  • Washer motor (on washer fluid reservoir)
  • Washer switch
  • Wiper & washer switch
  • Wiper fuse 20a
  • Wiper motor (on left side of firewall)
  • Wiper switch 1
  • Wiper switch 2

Не нашел свой автомобиль? смотри здесь -> DiagnostData.com!