AUTOMOTIVE ELECTRICIANS

Электросхемы Стеклоочистители и Стеклоомыватели Дворники Nissan Altima SE-R 2005

Стеклоочистители и Стеклоомыватели Дворники

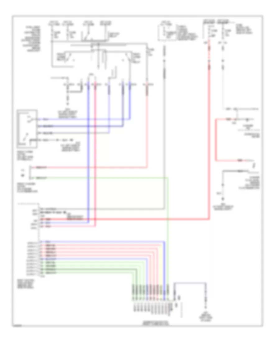
Электросхема стеклоочистителя, дворников и омывателя для Nissan Altima SE-R 2005

Электросхема стеклоочистителя, дворников и омывателя для Nissan Altima SE-R 2005 - Список элементов:

  • 15p
  • Bat
  • Body control module (bcm) (behind left side of dash)
  • Can-h
  • Can-l
  • Combination meter
  • Combination switch (front wiper switch)
  • Cpu
  • E121
  • E122
  • E124
  • E15 (at left side of engine compt, near battery)
  • E24 (at right side of engine compt)
  • Fr washer motor
  • Front washer motor (on washer fluid reservoir)
  • Front wiper hi relay
  • Front wiper motor (on left side of firewall)
  • Front wiper relay
  • Fuse & fusible link box (on left front of engine compt, near battery)
  • Fuse 10a
  • Fuse 15a
  • Fuse 20a
  • Fuse block (j/b) (behind left side of dash)
  • Fusible link f 50a
  • Gnd
  • Hot at all times
  • Hot in on or start
  • Ign
  • Ignition relay
  • Input 1
  • Input 2
  • Input 3
  • Input 4
  • Input 5
  • Intelligent power distribution module engine room (on right front of engine compartment, behind headlight)
  • Intput 1
  • Intput 2
  • Intput 3
  • Intput 4
  • Intput 5
  • M18
  • M20
  • M24
  • M28
  • M57 (behind right side of dash)
  • Move
  • Output 1
  • Output 2
  • Output 3
  • Output 4
  • Output 5
  • Pnk
  • Red
  • Stop
  • Washer fluid level sensor (on washer fluid reservoir)
  • Washer ind

Не нашел свой автомобиль? смотри здесь -> DiagnostData.com!