AUTOMOTIVE ELECTRICIANS

Электросхемы Стеклоочистители и Стеклоомыватели Дворники Mercedes-Benz C320 2002

Стеклоочистители и Стеклоомыватели Дворники

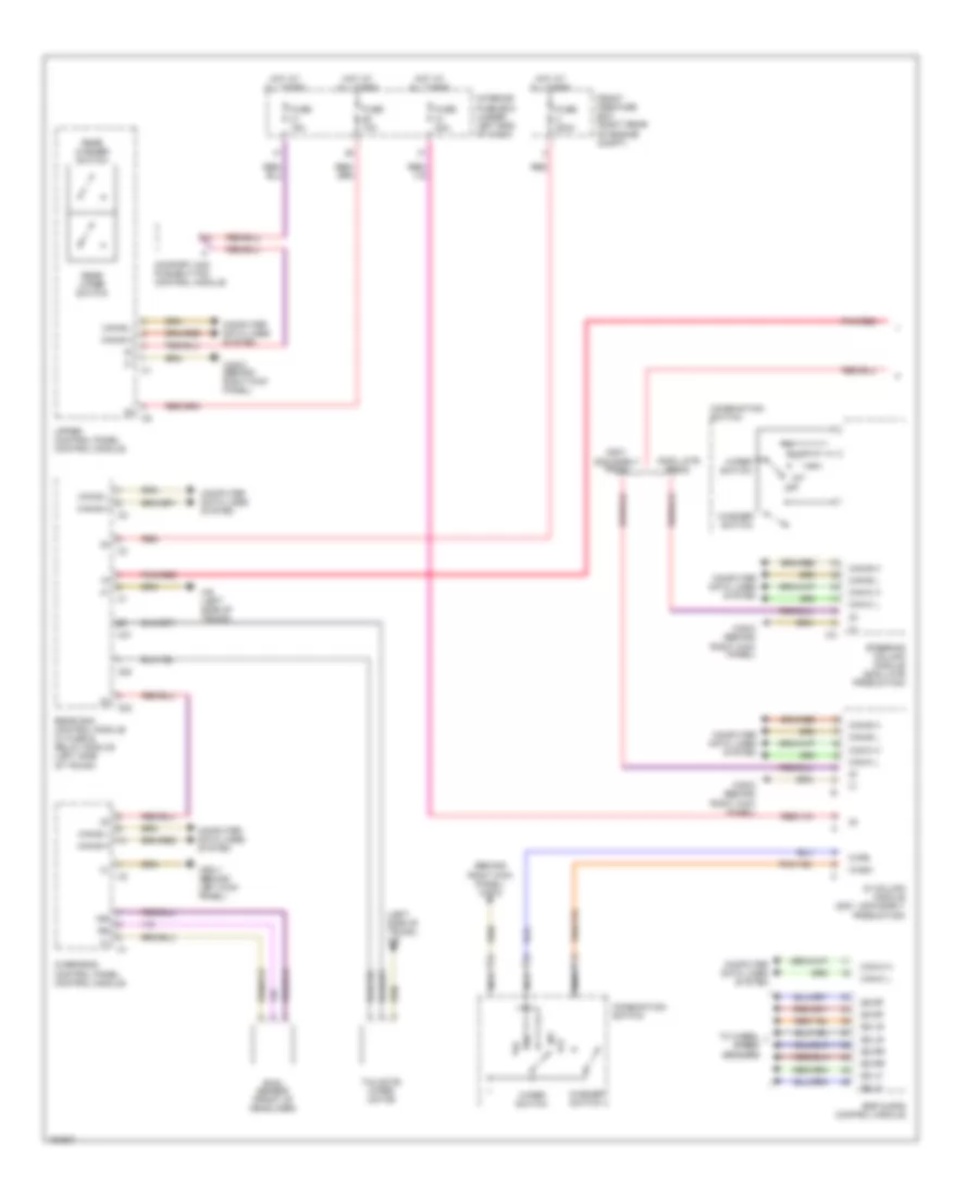
схема шайбы фары для Mercedes-Benz C320 2002

схема шайбы фары для Mercedes-Benz C320 2002

схема шайбы фары для Mercedes-Benz C320 2002 - Список элементов:

  • 30z
  • C15
  • C20
  • Can h
  • Can l
  • Computer data lines system
  • Front pre-fuse box (right rear of engine compt)
  • Front sam control module w/ fuse & relay module (left rear of engine compt)
  • Fuse 200a
  • Fuse 60a
  • Headlamp cleaning system (hcs) pump (left front of engine compt, on washer reservoir)
  • Headlamp cleaning system (hcs) switch
  • Hot at all times
  • Lamp switch module
  • Red
  • Sra
  • W16/3 (left side of engine compt)
  • W9 (at left headlamp unit)

Электросхема стеклоочистителя, дворников и омывателя, Седан для Mercedes-Benz C320 2002

Электросхема стеклоочистителя, дворников и омывателя, Седан для Mercedes-Benz C320 2002 - Список элементов:

  • (2001, 2002 early production)
  • (2002 late production)
  • 15r
  • 30z
  • C10
  • C13
  • C16
  • C19
  • C22
  • Can-b h
  • Can-b l
  • Can-c h
  • Can-c l
  • Combination switch
  • Computer data lines system
  • Coolant fluid level switch (in reservoir)
  • Di control module (2001, 2002 early production)
  • Esp & bas control module
  • Front pre-fuse box (right rear of engine compt)
  • Front sam control module w/ fuse & relay module (left rear of engine compt)
  • Fuse 200a
  • Fuse 20a
  • Fuse 60a
  • Hot at all times
  • Int
  • Interior fuse box (under left end of dash)
  • Motor
  • Nca
  • Off
  • Overhead control panel control module
  • Pnk/red
  • Rain sensor (front of headliner)
  • Rear sam control module w/ fuse & relay module (left side of trunk)
  • Red
  • Relay
  • Ss lf
  • Ss lr
  • Ss rf
  • Ss rr
  • Steering column module (2002 late production)
  • To wheel speed sensors
  • W16/3 (left side of engine compt)
  • W28/1 (behind left kick panel)
  • W28/2 (behind right kick panel)
  • W6 (left side of trunk)
  • W9 (at left headlamp unit)
  • Wash
  • Washer fluid level switch (in reservoir)
  • Washer nozzle heaters
  • Washer nozzle hose heater
  • Washer switch
  • Windshield washer fluid pump (on fluid reservoir)
  • Wipe
  • Wiper motor (left rear of engine compt)
  • Wiper on/off relay
  • Wiper switch

Электросхема стеклоочистителя, дворников и омывателя, Универсал (1 из 2) для Mercedes-Benz C320 2002

Электросхема стеклоочистителя, дворников и омывателя, Универсал (1 из 2) для Mercedes-Benz C320 2002 - Список элементов:

  • (2001, 2002 early prod)
  • (2002 late prod)
  • (behind right kick panel) w28/2
  • (left side of trunk) w6
  • 15r
  • C20
  • C21
  • C22
  • Can-b h
  • Can-b l
  • Can-c h
  • Can-c l
  • Combination switch
  • Comfort aac pushbutton control module
  • Computer data lines system
  • Di column module (2001, 2002 early production)
  • Esp & bas control module
  • Front pre-fuse box (right rear of engine compt)
  • Fuse 10a
  • Fuse 15a
  • Fuse 200a
  • Fuse 20a
  • Hot at all times
  • Int
  • Interior fuse box (under left end of dash)
  • Nca
  • Off
  • Overhead control panel control module
  • Pnk/red
  • Rain sensor (front of headliner)
  • Rear sam control module w/ fuse & relay module (left side of trunk)
  • Rear washer switch
  • Rear wiper switch
  • Red
  • Ss lf
  • Ss lr
  • Ss rf
  • Ss rr
  • Steering column module (2002 late production)
  • Tailgate wiper motor
  • To wheel speed sensors
  • Upper control panel control module
  • W28/1 (behind left kick panel)
  • W28/2 (behind right kick panel)
  • W6 (left side of trunk)
  • Wash
  • Washer switch
  • Wipe
  • Wiper switch

Электросхема стеклоочистителя, дворников и омывателя, Универсал (2 из 2) для Mercedes-Benz C320 2002

Электросхема стеклоочистителя, дворников и омывателя, Универсал (2 из 2) для Mercedes-Benz C320 2002 - Список элементов:

  • 30z
  • C10
  • C13
  • C16
  • C19
  • Can-b h
  • Can-b l
  • Computer data lines system
  • Coolant fluid level switch (in reservoir)
  • Front pre-fuse box (right rear of engine compt)
  • Front sam control module w/ fuse & relay module (left rear of engine compt)
  • Fuse 200a
  • Fuse 60a
  • Hot at all times
  • Motor
  • Nca
  • Pnk/red
  • Red
  • Relay
  • Tailgate washer fluid pump (on fluid reservoir)
  • W16/3 (left side of engine compt)
  • W9 (at left headlamp unit)
  • Washer fluid level switch (in reservoir)
  • Washer nozzle heater (left)
  • Washer nozzle heater (right)
  • Washer nozzle hose heater
  • Windshield washer fluid pump (on fluid reservoir)
  • Wiper motor (left rear of engine compt)
  • Wiper on/off relay

Не нашел свой автомобиль? смотри здесь -> DiagnostData.com!