AUTOMOTIVE ELECTRICIANS

Электросхемы Стеклоочистители и Стеклоомыватели Дворники Mercedes-Benz C320 4Matic 2004

Стеклоочистители и Стеклоомыватели Дворники

схема шайбы фары для Mercedes-Benz C320 4Matic 2004

схема шайбы фары для Mercedes-Benz C320 4Matic 2004

схема шайбы фары для Mercedes-Benz C320 4Matic 2004 - Список элементов:

  • 30z
  • C15
  • C20
  • Can h
  • Can l
  • Computer data lines system
  • Front pre-fuse box (right rear of engine compt)
  • Front sam control module w/ fuse & relay module (left rear of engine compt)
  • Fuse 200a
  • Fuse 60a
  • Headlamp cleaning system (hcs) pump (left front of engine compt, on washer reservoir)
  • Headlamp cleaning system (hcs) switch
  • Hot at all times
  • Lamp switch module
  • Red
  • Sra
  • W16/3 (left side of engine compt)
  • W9 (at left headlamp unit)

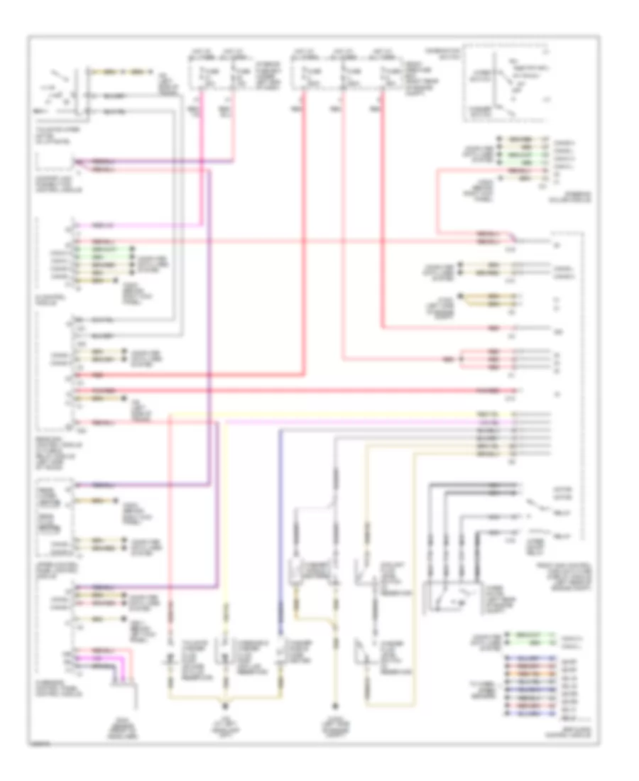
Электросхема стеклоочистителя, дворников и омывателя, Купе Sedan & для Mercedes-Benz C320 4Matic 2004

Электросхема стеклоочистителя, дворников и омывателя, Купе Sedan & для Mercedes-Benz C320 4Matic 2004 - Список элементов:

  • 15r
  • 30z
  • C10
  • C13
  • C16
  • C19
  • C22
  • Can-b h
  • Can-b l
  • Can-c h
  • Can-c l
  • Combination switch
  • Computer data lines system
  • Coolant fluid level switch (in reservoir)
  • Di control module
  • Esp & bas control module
  • Front pre-fuse box (right rear of engine compt)
  • Front sam control module w/ fuse & relay module (left rear of engine compt)
  • Fuse 200a
  • Fuse 20a
  • Fuse 60a
  • Hot at all times
  • Int
  • Interior fuse box (under left end of dash)
  • Motor
  • Nca
  • Off
  • Overhead control panel control module
  • Pnk/red
  • Rain sensor (front of headliner)
  • Rear sam control module w/ fuse & relay module (left side of trunk)
  • Red
  • Relay
  • Ss lf
  • Ss lr
  • Ss rf
  • Ss rr
  • Steering column module
  • To wheel speed sensors
  • W16/3 (left side of engine compt)
  • W28/1 (behind left kick panel)
  • W28/2 (behind right kick panel)
  • W6 (left side of trunk)
  • W9 (at left headlamp unit)
  • Washer fluid level switch (in reservoir)
  • Washer nozzle heaters
  • Washer nozzle hose heater
  • Washer switch
  • Windshield washer fluid pump (on fluid reservoir)
  • Wiper motor (left rear of engine compt)
  • Wiper on/off relay
  • Wiper switch

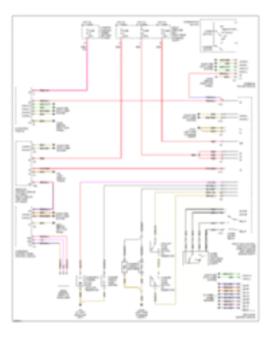
Электросхема стеклоочистителя, дворников и омывателя, Универсал для Mercedes-Benz C320 4Matic 2004

Электросхема стеклоочистителя, дворников и омывателя, Универсал для Mercedes-Benz C320 4Matic 2004 - Список элементов:

  • 15r
  • 30z
  • C10
  • C13
  • C16
  • C19
  • C20
  • C21
  • C22
  • Can-b h
  • Can-b l
  • Can-c h
  • Can-c l
  • Combination switch
  • Comfort aac pushbutton control module
  • Computer data lines system
  • Coolant fluid level switch (in reservoir)
  • Di control module
  • Esp & bas control module
  • Front pre-fuse box (right rear of engine compt)
  • Front sam control module w/ fuse & relay module (left rear of engine compt)
  • Fuse 15a
  • Fuse 200a
  • Fuse 20a
  • Fuse 60a
  • Hot at all times
  • Int
  • Interior fuse box (under left end of dash)
  • Motor
  • Nca
  • Off
  • Overhead control panel control module
  • Pnk/red
  • Rain sensor (front of headliner)
  • Rear fluid switch
  • Rear sam control module w/ fuse & relay module (left side of trunk)
  • Rear wiper switch
  • Red
  • Relay
  • Ss lf
  • Ss lr
  • Ss rf
  • Ss rr
  • Steering column module
  • Tailgate washer fluid pump (on side of fluid reservoir)
  • Tailgate wiper motor (in liftgate)
  • To wheel speed sensors
  • Upper control panel control module
  • W16/3 (left side of engine compt)
  • W28/1 (behind left kick panel)
  • W28/2 (behind right kick panel)
  • W6 (left side of trunk)
  • W9 (at left headlamp unit)
  • Washer fluid level switch (in reservoir)
  • Washer nozzle heaters
  • Washer nozzle hose heater
  • Washer switch
  • Windshield washer fluid pump (on fluid reservoir)
  • Wiper motor (left rear of engine compt)
  • Wiper on/off relay
  • Wiper switch

Не нашел свой автомобиль? смотри здесь -> DiagnostData.com!