AUTOMOTIVE ELECTRICIANS

Электросхемы Стеклоочистители и Стеклоомыватели Дворники Mercedes-Benz E320 1997

Стеклоочистители и Стеклоомыватели Дворники

Передняя Схема Шайбы Дворника/Шайбы и Фары для Mercedes-Benz E320 1997

Передняя Схема Шайбы ДворникаШайбы и Фары для Mercedes-Benz E320 1997

Передняя Схема Шайбы Дворника/Шайбы и Фары для Mercedes-Benz E320 1997 - Список элементов:

  • (left wheel- housing)
  • Combination control module
  • Combination switch
  • Fuse 3 15a
  • Fuse and relay box
  • G102
  • G102 (left wheel- housing)
  • Headlamp cleaning system switch
  • Headlamp washer pump
  • Headlights system
  • Hot in run or start
  • Hot w/ lights on
  • Int
  • Nca
  • Off
  • Park
  • Pulse module
  • Rear wiper/ washer system
  • Sedan
  • Single wipe/ wash switch
  • Wagon
  • Windshield washer pump
  • Wiper motor

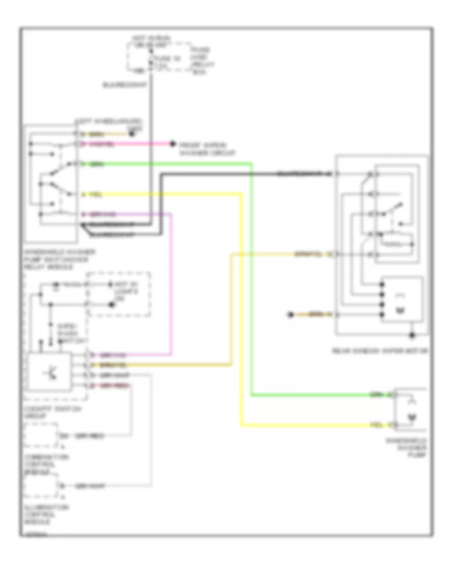
Электросхема заднего стеклоочистителя дворника и омывателя для Mercedes-Benz E320 1997

Электросхема заднего стеклоочистителя дворника и омывателя для Mercedes-Benz E320 1997 - Список элементов:

  • (left wheelhouse) g402
  • 10d
  • Cockpit switch group
  • Combination control module
  • Front wiper/ washer circuit
  • Fuse and relay box
  • Fuse 10 7.5a
  • Hot in run or start
  • Hot w/ lights on
  • Illumination control module
  • Rear window wiper motor
  • Windshield washer pump
  • Windshield washer pump switchover relay module
  • Wipe/ wash switch

Не нашел свой автомобиль? смотри здесь -> DiagnostData.com!