AUTOMOTIVE ELECTRICIANS

Электросхемы Стеклоочистители и Стеклоомыватели Дворники Mercedes-Benz ML350 4Matic 2011

Стеклоочистители и Стеклоомыватели Дворники

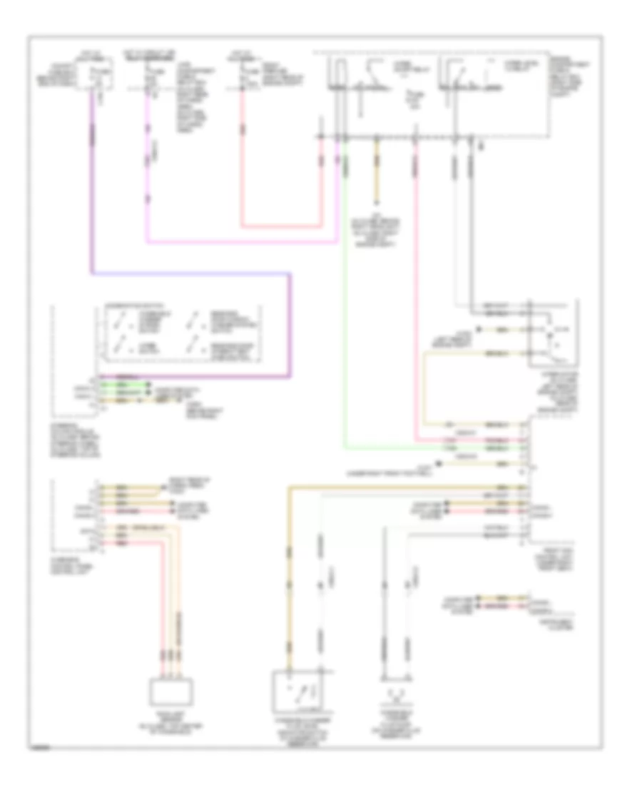
Электросхема передних стеклоочистителей дворников и омывателя лобового стекла для Mercedes-Benz ML350 4Matic 2011

Электросхема передних стеклоочистителей дворников и омывателя лобового стекла для Mercedes-Benz ML350 4Matic 2011

Электросхема передних стеклоочистителей дворников и омывателя лобового стекла для Mercedes-Benz ML350 4Matic 2011 - Список элементов:

  • (right rear of cargo area) w48/3
  • 87a
  • C13a
  • Can-b h
  • Can-b l
  • Can-c h
  • Can-c l
  • Cockpit fuse box (behind right end of dash)
  • Combination switch
  • Computer data lines system
  • Data
  • Engine compartment fuse & relay box (right side of engine compt)
  • Front prefuse (right rear of engine compt)
  • Front sam control unit (under right front seat)
  • Fuse 100a
  • Fuse 30a
  • Fuse 5a
  • Hot at all times
  • Hot w/ circuit 15r relay energized
  • Instrument cluster
  • Load compartment fuse & relay box (ml-class: right rear of cargo area) (gl-class: right side of cargo area)
  • Mr1
  • Overhead control panel control unit
  • Rain/light sensor (gl-class: top center of windshield)
  • Rear end door intermittent wash switch
  • Rear end door window washer system switch
  • Red
  • Steering column module (gl-class: behind steering wheel) (ml-class: top of steering column)
  • W15/1 (under right front footwell)
  • W16/3 (left rear of engine compt)
  • W2 (ml-class: behind right headlight) (gl-class: right side of engine compt)
  • W29/2 (behind right kick panel)
  • Windshield washer fluid level indicator switch (in washer fluid reservoir)
  • Windshield washer fluid pump (on washer fluid reservoir)
  • Windshield washer system switch
  • Wiper level 1/2 relay
  • Wiper motor (gl-class: left rear of engine compt) (ml-class: rear of engine compt)
  • Wiper on/off relay
  • Wiper switch
  • X25/2-c1
  • X25/2-c2

схема шайбы фары для Mercedes-Benz ML350 4Matic 2011

схема шайбы фары для Mercedes-Benz ML350 4Matic 2011 - Список элементов:

  • (under right front footwell) w15/1
  • Battery compartment prefuse box (under right front seat)
  • C88
  • C89
  • Can-b h
  • Can-b l
  • Computer data lines system
  • Front sam control unit (under right front seat)
  • Fuse 70a
  • Hcs pump (on washer fluid reservoir)
  • Hot at all times
  • Instrument cluster
  • Lin
  • Red
  • Rotary light switch
  • Sra
  • Upper control panel control module
  • W9 (left side of engine compt)
  • X25/2-c1

Электросхема заднего стеклоочистителя дворника и омывателя для Mercedes-Benz ML350 4Matic 2011

Электросхема заднего стеклоочистителя дворника и омывателя для Mercedes-Benz ML350 4Matic 2011 - Список элементов:

  • (at right "d" pillar) (gl-class)
  • (under right rear seat) w17
  • 15r1
  • 87a
  • C13a
  • Can-b h
  • Can-b l
  • Can-c h
  • Can-c l
  • Circuit 31
  • Circuit 31 right wheel house luggage compartment voltage distributor connector
  • Cockpit fuse box (behind right end of dash)
  • Combination switch
  • Computer data lines system
  • Front sam control unit (under front passenger's seat)
  • Fuse 15a
  • Fuse 5a
  • Gl- class
  • Hot at all times
  • Hot w/ circuit 15r relay energized
  • Instrument cluster
  • Load compartment fuse & relay box (ml-class: right rear of cargo area) (gl-class: right side of cargo area)
  • Ml- class
  • Rear end door intermittent wash switch
  • Rear end door window washer system switch
  • Rear sam control module (right rear of cargo area)
  • Rear wiper relay
  • Right rear seat voltage distributor connector
  • Steering column module (gl-class: behind steering wheel) (ml-class: top of steering column)
  • Tailgate wiper motor (center of tailgate)
  • W15/1 (under right front footwell)
  • W17 (ml-class) (under right rear seat)
  • W29/2 (at right kick panel)
  • W7 (at right "d" pillar)
  • W8 (ml-class: behind trim, on right side of tailgate) (gl-class: right side of tailgate)
  • Windshield washer fluid pump (on washer fluid reservoir)
  • Windshield washer system switch
  • Wiper switch
  • X25/2-c2

Не нашел свой автомобиль? смотри здесь -> DiagnostData.com!