AUTOMOTIVE ELECTRICIANS

Электросхемы Стеклоочистители и Стеклоомыватели Дворники Mercedes-Benz R350 4Matic 2012

Стеклоочистители и Стеклоомыватели Дворники

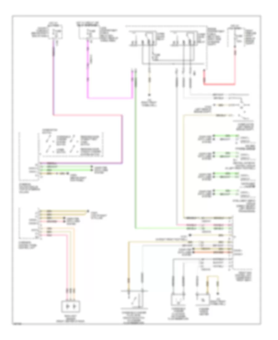
Электросхема передних стеклоочистителей дворников и омывателя лобового стекла для Mercedes-Benz R350 4Matic 2012

Электросхема передних стеклоочистителей дворников и омывателя лобового стекла для Mercedes-Benz R350 4Matic 2012

Электросхема передних стеклоочистителей дворников и омывателя лобового стекла для Mercedes-Benz R350 4Matic 2012 - Список элементов:

  • 87a
  • C13a
  • Can-b h
  • Can-b l
  • Can-c h
  • Can-c l
  • Central gateway control module (in left front footwell)
  • Cockpit fuse box (behind right end of dash)
  • Combination switch
  • Computer data lines system
  • Data
  • Eis (ezs) control module
  • Engine compartment fuse & relay box (right side of engine compt)
  • Front prefuse (right rear of engine compt)
  • Front sam control unit (under right front seat)
  • Fuse 100a
  • Fuse 30a
  • Fuse 5a
  • Hot at all times
  • Hot w/ circuit 15r relay energized
  • Instrument cluster
  • Intelligent servo module (direct select) (left rear of transmission)
  • Load compartment fuse & relay box (right rear of cargo area)
  • Mr1
  • Overhead control panel control unit
  • Pnk
  • Rain/light sensor (front center of roof)
  • Rear end door intermittent wash switch
  • Rear end door window washer system switch
  • Red
  • Sl1
  • Steering column module (top of steering column)
  • W15/1 (in right front footwell)
  • W16/3 (left rear of engine compt)
  • W2 (right front wheelwell)
  • W29/2 (behind right kick panel)
  • W48/3 (top of right "d" pillar)
  • Washer nozzle heater
  • Windshield washer fluid level indicator switch (in washer fluid reservoir)
  • Windshield washer fluid pump (on washer fluid reservoir)
  • Windshield washer system switch
  • Wiper level 1/2 relay
  • Wiper motor (left rear of engine compt)
  • Wiper on/off relay
  • Wiper switch
  • X25/2-c1
  • X25/2-c2

схема шайбы фары для Mercedes-Benz R350 4Matic 2012

схема шайбы фары для Mercedes-Benz R350 4Matic 2012 - Список элементов:

  • (in right front footwell) w15/1
  • Battery compartment prefuse box (under right front seat)
  • C88
  • C89
  • Can-b h
  • Can-b l
  • Can-c h
  • Can-c l
  • Combination switch
  • Computer data lines system
  • Front sam control unit (under right front seat)
  • Fuse 70a
  • Hcs pump (on washer fluid reservoir)
  • Hot at all times
  • Instrument cluster
  • Lin
  • Rear end door intermittent wash switch
  • Rear end door window washer system switch
  • Red
  • Rotary light switch
  • Sra
  • Steering column module (top of steering column)
  • Upper control panel control module
  • W2 (right front wheelwell)
  • Windshield washer system switch
  • Wiper switch
  • X25/2-c2

Электросхема заднего стеклоочистителя дворника и омывателя для Mercedes-Benz R350 4Matic 2012

Электросхема заднего стеклоочистителя дворника и омывателя для Mercedes-Benz R350 4Matic 2012 - Список элементов:

  • (right rear of cargo area) rear sam control module
  • 15r1
  • 87a
  • Can-b h
  • Can-b l
  • Can-c h
  • Can-c l
  • Central gateway control module (in left front footwell)
  • Combination switch
  • Computer data lines system
  • Eis (ezs) control module
  • Front sam control unit (under right front seat)
  • Fuse 15a
  • Fuse 5a
  • Hot w/ circuit 15r relay energized
  • Instrument cluster
  • Load compartment fuse & relay box (right rear of cargo area)
  • Rear end door intermittent wash switch
  • Rear end door window washer system switch
  • Rear wiper relay
  • Right rear seat voltage distri- butor con- nector
  • Sl1
  • Steering column module (top of steering column)
  • Tailgate wiper motor (center of tailgate)
  • W15/1 (in right front footwell)
  • W17 (in right rear footwell)
  • W7 (right rear of cargo area)
  • W8 (lower right side of tailgate)
  • Windshield washer fluid pump (on washer fluid reservoir)
  • Windshield washer system switch
  • Wiper switch
  • X25/2-c2

Не нашел свой автомобиль? смотри здесь -> DiagnostData.com!