AUTOMOTIVE ELECTRICIANS

Электросхемы Стеклоочистители и Стеклоомыватели Дворники Mercedes-Benz SLK250 2014

Стеклоочистители и Стеклоомыватели Дворники

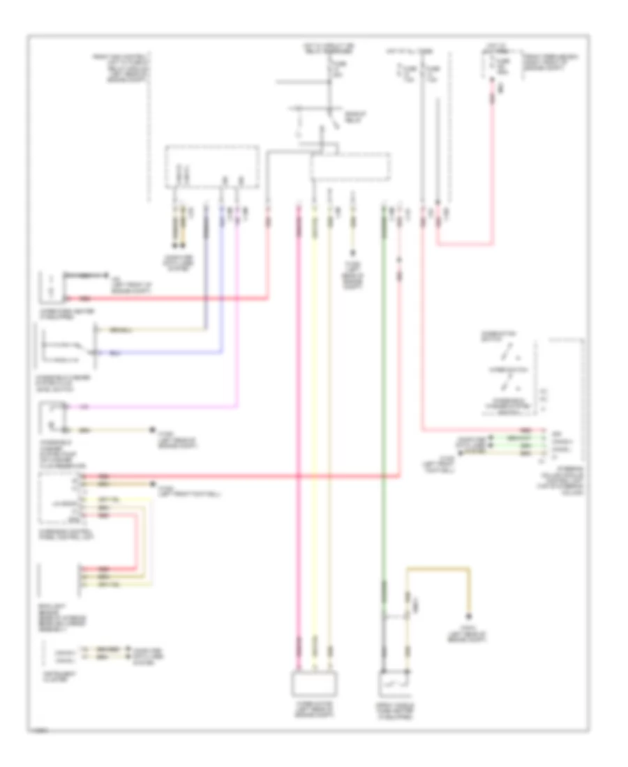
схема шайбы фары для Mercedes-Benz SLK250 2014

схема шайбы фары для Mercedes-Benz SLK250 2014

схема шайбы фары для Mercedes-Benz SLK250 2014 - Список элементов:

  • 30g
  • C14m
  • C15m
  • C16s
  • C22i
  • C8s
  • Can b h
  • Can b l
  • Can-e h
  • Can-e l
  • Combination switch
  • Computer data lines system
  • Front prefuse box (right front of engine compt)
  • Front sam control unit w/ fuse & relay module (left rear of engine compt)
  • Fuse 100a
  • Fuse 150a
  • Headlamp cleaning system pump (headlamp cleaning system pump)
  • Hot at all times
  • Hot w/ quiescent current cutout relay energized
  • Instrument cluster
  • Mr2
  • Mrg1
  • Red
  • Sig
  • Steering column module control unit (top of steering column)
  • W16/5 (left rear of engine compt)
  • Windshield washer system switch
  • Wiper switch

Электросхема стеклоочистителя, дворников и омывателя для Mercedes-Benz SLK250 2014

Электросхема стеклоочистителя, дворников и омывателя для Mercedes-Benz SLK250 2014 - Список элементов:

  • 30g
  • Backup relay
  • C11c
  • C14m
  • C16s
  • C1m
  • C21m
  • C22i
  • C5c
  • Can b h
  • Can b l
  • Can-e h
  • Can-e l
  • Combination switch
  • Computer data lines system
  • Front prefuse box (right front of engine compt)
  • Front sam control unit w/ fuse & relay module (left rear of engine compt)
  • Fuse 150a
  • Fuse 30a
  • Fuse 7.5a
  • Hot at all times
  • Hot w/ circuit 15r relay energized
  • Instrument cluster
  • Lin (roof)
  • Mr2
  • Nca
  • Overhead control panel control unit
  • Rain/light sensor (base of interior rearview mirror assembly)
  • Red
  • Sig
  • Spray nozzle hose heater (if equipped)
  • Steering column module control unit (top of steering column)
  • W15/5 (left front footwell)
  • W16/5 (left rear of engine compt)
  • W9 (left front of engine compt)
  • Windshield washer system fluid level switch
  • Windshield washer system pump (on washer fluid reservoir)
  • Windshield washer system switch
  • Wiper motor (left rear of engine compt)
  • Wiper park heater (if equipped)
  • Wiper switch
  • X88/11

СИСТЕМА КРУИЗКОНТРОЛЯ -СИСТЕМА КОНДИЦИОНЕРА -ПРОТИВОУГОННАЯ СИСТЕМА СИГНАЛИЗАЦИЯ -ПОДОГРЕВ СТЕКОЛ И ЗЕРКАЛ -СИСТЕМА ПЕРЕДАЧИ ДАННЫХ -СИСТЕМА УСИЛИТЕЛЯ РУЛЯ -СИСТЕМЫ ПОДВЕСКИ -СИСТЕМА ОХЛАЖДЕНИЯ -СИСТЕМА АНТИБЛОКИРОВОЧНОЙ ТОРМОЗНОЙ СИСТЕМЫ -СИСТЕМА ФАР -СИСТЕМА УПРАВЛЕНИЯ ДВИГАТЕЛЯ -ЗАЗЕМЛЕНИЕ ПОДКЛЮЧЕНИЕ МАССЫ -ВНЕШНЕЕ ОСВЕЩЕНИЕ -ВНУТРЕННЕЕ ОСВЕЩЕНИЕ -БЛОКИ УПРАВЛЕНИЯ КУЗОВОМ -ЗВУКОВОЙ СИГНАЛ ГУДОК -ПРИБОРНАЯ ПАНЕЛЬ -БЛОК ПРЕДОХРАНИТЕЛЕЙ И РЕЛЕ -СИСТЕМЫ СИДЕНИЙ -НАВИГАЦИЯ ПАРКТРОНИКИ -СИСТЕМЫ ПАМЯТИ -ПРИВОД ЗЕРКАЛ -МАГНИТОЛА МУЛЬТИМЕДИЯ -ПРИВОД ЛЮКА И КРЫШИ -ЦЕНТРАЛЬНЫЙ ЗАМОК -ПРИВОД СТЕКЛОПОДЪЕМНИКОВ -БЛОКИРОВКИ СЕЛЕКТОРА СТОЯНОЧНЫЙ ТОРМОЗ -СТАРТЕР ГЕНЕРАТОР -БАГАЖНИК ЗАДНЯЯ ДВЕРЬ ЛЮЧОК ТОПЛИВНОГО БАКА -ПРЕДУПРЕЖДАЮЩИЕ СИСТЕМЫ -ПОДУШКИ БЕЗОПАСНОСТИ -СИСТЕМА ПРИВОДА -СТЕКЛООЧИСТИТЕЛИ И СТЕКЛООМЫВАТЕЛИ ДВОРНИКИ -
Не нашел свой автомобиль? смотри здесь -> DiagnostData.com!