AUTOMOTIVE ELECTRICIANS

CRUISE CONTROL – Suzuki Vitara JS+ 1999 – SYSTEM WIRING DIAGRAMS

CRUISE CONTROL

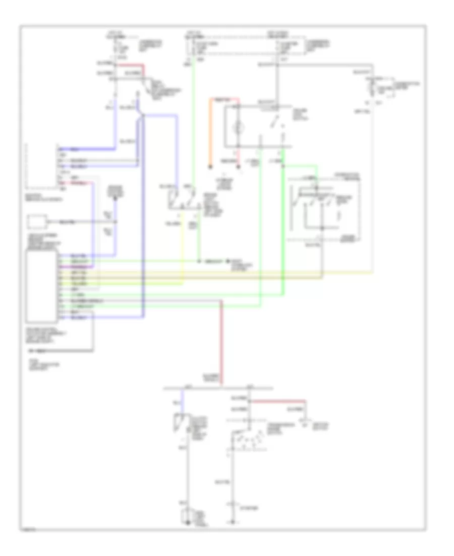
Cruise Control Wiring Diagram for Suzuki Vitara JS+ 1999

List of elements for Cruise Control Wiring Diagram for Suzuki Vitara JS+ 1999:

  • A/t
  • Brake- light switch (behind left side of dash)
  • C51-2
  • Cancel
  • Clutch switch (behind left side of dash)
  • Coast/ set
  • Combination meter
  • Combination switch
  • Cruise control actuator assembly (left side of engine compt)
  • Cruise ind
  • Cruise main switch
  • Cruise switch
  • E122
  • E28
  • E61
  • Ecm/pcm (behind glove box)
  • Engine control system
  • Fi fuse 15a
  • G108 (left radiator support)
  • G11
  • G17
  • G200 (left kick panel)
  • Hot at all times
  • Hot in run or start
  • Ig meter fuse 20a
  • Ignition switch
  • Interior lights system
  • M/t
  • Main relay (in underdash fuse/relay box)
  • Resume/ accel
  • Shift interlock system
  • Starter
  • Stop horn fuse 15a
  • Transmission range switch
  • Underdash fuse/relay box
  • Underhood fuse/relay box
  • Vehicle speed sensor (center rear of engine compt)

Can't find your car? Check -> DiagnostData.com!