AUTOMOTIVE ELECTRICIANS

INTERIOR LIGHTS – Suzuki Vitara JS+ 1999 – SYSTEM WIRING DIAGRAMS

INTERIOR LIGHTS

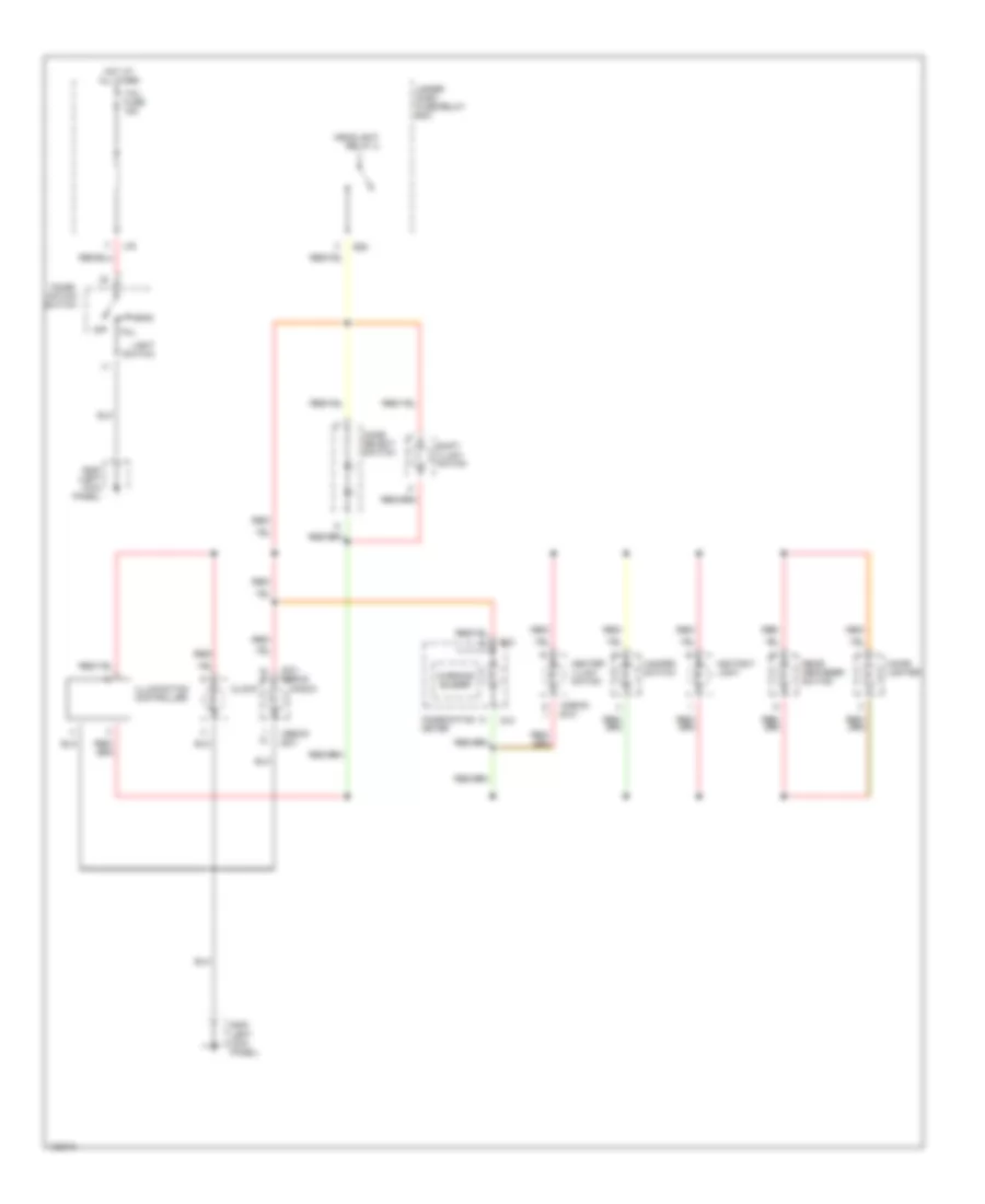
Courtesy Lamps Wiring Diagram for Suzuki Vitara JS+ 1999

Courtesy Lamps Wiring Diagram for Suzuki Vitara JS+ 1999

List of elements for Courtesy Lamps Wiring Diagram for Suzuki Vitara JS+ 1999:

  • (1999-00)
  • (2001)
  • (right rear of cargo compt)
  • 10a
  • Back door switch
  • Center room light
  • Diode 4 (left rear wheelwell)
  • Dome fuse 15a
  • Door
  • Door lock & keyless entry controller
  • E28
  • G203 (right kick panel)
  • G405
  • Hot at all times
  • Left front door switch
  • Left rear door switch
  • Off
  • Rear room light (4 door only)
  • Right front door switch
  • Right rear door switch
  • Spot light
  • Underdash fuse/relay box
  • W/ keyless entry
  • W/o keyless entry

Instrument Illumination Wiring Diagram for Suzuki Vitara JS+ 1999

List of elements for Instrument Illumination Wiring Diagram for Suzuki Vitara JS+ 1999:

  • 1999-00
  • Ashtray light
  • Cigar lighter
  • Clock
  • Combi- nation switch
  • Combination meter
  • E28
  • G10
  • G12
  • G200 (left kick panel)
  • Hazard switch
  • Head
  • Headlight relay 2
  • Heater illumi- nation
  • Hot at all times
  • Illumination controller
  • L32
  • Light switch
  • Mode select switch
  • Off
  • Radio
  • Rear defogger switch
  • Red/
  • Shift illumi- nation
  • Tail
  • Tail fuse 15a
  • Under- dash fuse/relay box
  • Warning buzzer

Can't find your car? Check -> DiagnostData.com!