AUTOMOTIVE ELECTRICIANS

Электросхемы Стеклоочистители и Стеклоомыватели Дворники Audi Q5 Premium Plus 2014

Стеклоочистители и Стеклоомыватели Дворники

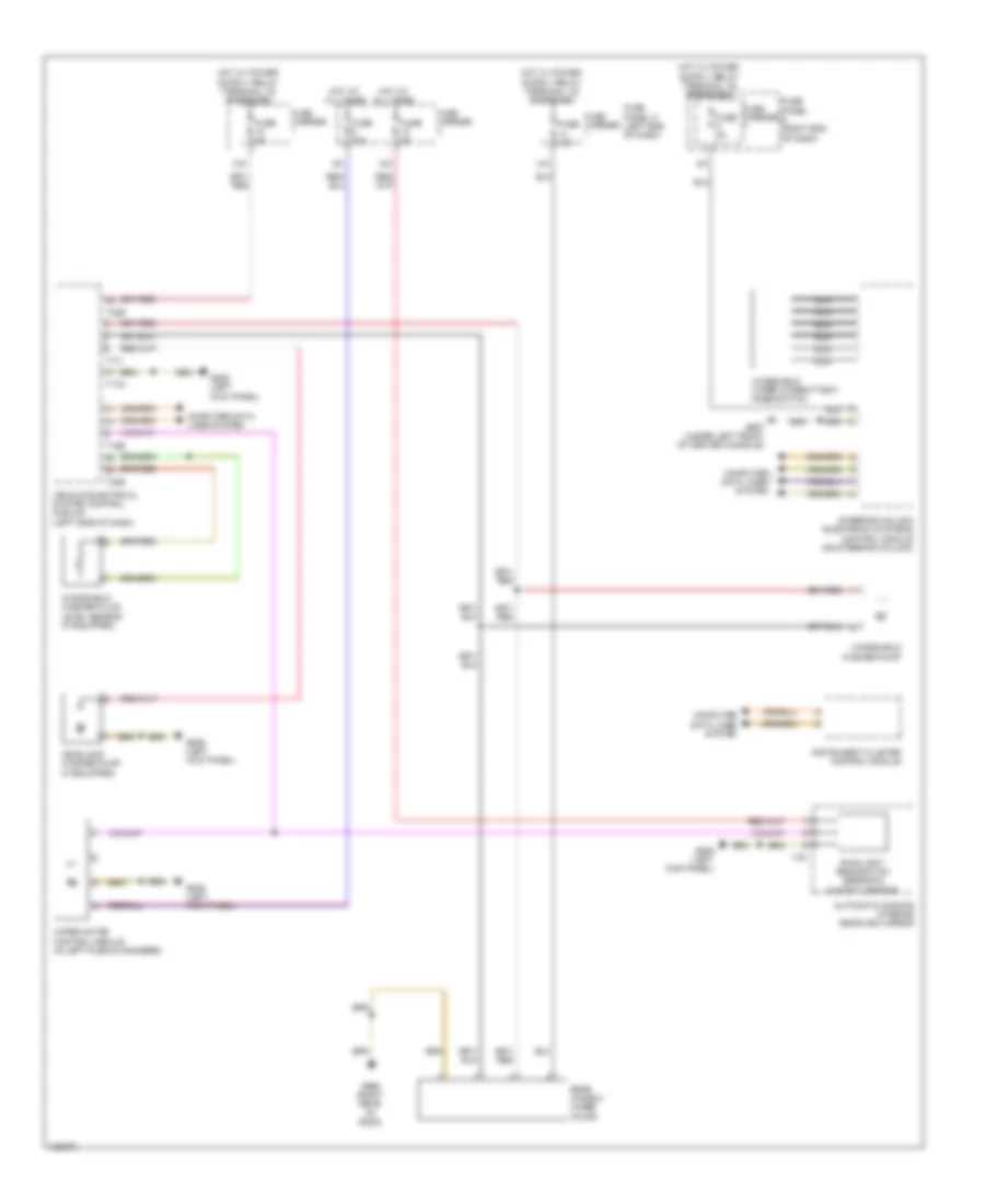
Электросхема быстрого подогрева для Audi Q5 Premium Plus 2014

Электросхема быстрого подогрева для Audi Q5 Premium Plus 2014

Электросхема быстрого подогрева для Audi Q5 Premium Plus 2014 - Список элементов:

  • 12a
  • Computer data lines system
  • Fuse 5a
  • Fuse carrier
  • Fuse panel c (left end of dash)
  • G639 (left kick panel)
  • Left washer nozzle heater
  • Right washer nozzle heater
  • T16b
  • T17m
  • T17n
  • T32b
  • Vehicle electrical system control module (left side of dash)

Электросхема стеклоочистителя, дворников и омывателя для Audi Q5 Premium Plus 2014

Электросхема стеклоочистителя, дворников и омывателя для Audi Q5 Premium Plus 2014 - Список элементов:

  • 12a
  • 14a
  • Automatic dimming interior rearview mirror
  • Computer data lines system
  • Fuse 15a
  • Fuse 30a
  • Fuse 5a
  • Fuse carrier
  • Fuse panel c (left end of dash)
  • Fuse panel d (right end of dash)
  • G639 (left kick panel)
  • G666 (right rear of roof)
  • G687 (under left front of center console)
  • Headlamp washer pump (if equipped)
  • Hot at all times
  • Instrument cluster control module
  • Nca
  • Rain/light recognition sensor & humidity sensor
  • Rear window wiper motor
  • Steering column electronic systems control module (on steering column)
  • T16b
  • T17l
  • T17m
  • T32b
  • T3c
  • Vehicle electrical system control module (left side of dash)
  • Windshield washer fluid level sensor (if equipped)
  • Windshield washer pump
  • Windshield wiper intermittent mode switch
  • Wiper motor control module (in left plenum chamber)

Не нашел свой автомобиль? смотри здесь -> DiagnostData.com!